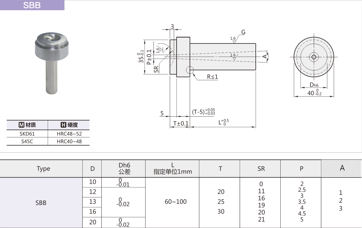
菜单产品中心Product center 非标加工系列 日期章系列 气顶、排气系列 锁模扣、开闭器系列 限位夹系列 顶出系列 定位组件系列 冷却系列 其他小零件 冲压模具零件 塑胶模具配件 汽车模具类 医疗模具类 化妆品模具类 电子产品模具类 玩具产品模具类 薄壁类模具 伸缩柯 热门产品 →定位块TSSB→模具芯子、镶件→冷却棒-热交换管HTK 玩具产品模具类 您的位置:明博(中国) → 产品中心 → 玩具产品模具类 浇口套(机嘴)SBB类别:玩具产品模具类 简介:浇口套(唧嘴)是塑胶模具用于连接成型模具与注塑机的金属配件。 浇口套(唧嘴)也可以被描述为是让熔融的塑料材料从注塑机的喷嘴注入到模具内部的流道组成零件。 本款为B型。 24小时服务热线:18820322002 在线咨询 返回列表 产品说明 产品特点:浇口套(唧嘴)是塑胶模具用于连接成型模具与注塑机的金属配件。浇口套(唧嘴)也可以被描述为是让熔融的塑料材料从注塑机的喷嘴注入到模具内部的流道组成零件。 相关产品 氮气喷嘴 国产经济章 定位环LRA 浇口套(机嘴)SBB 模具计数器CVPL 定位块PL