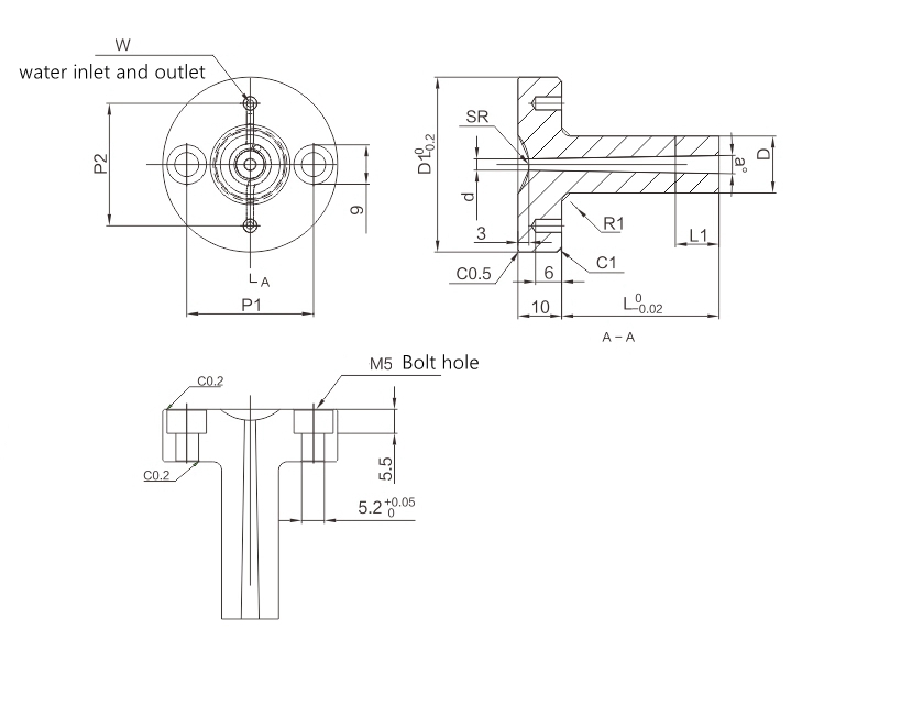
菜单产品中心Product center 非标加工系列 日期章系列 气顶、排气系列 锁模扣、开闭器系列 限位夹系列 顶出系列 定位组件系列 冷却系列 其他小零件 冲压模具零件 塑胶模具配件 汽车模具类 医疗模具类 化妆品模具类 电子产品模具类 玩具产品模具类 薄壁类模具 伸缩柯 热门产品 →定位块TSSB→模具芯子、镶件→冷却棒-热交换管HTK 其他小零件 您的位置:明博(中国) → 产品中心 → 其他小零件 冷却型浇口套类别:其他小零件 简介:冷却型浇口套,通过调节浇口套内部循环水的流量和温度能够能够调节成型时间,加快生产速度。 24小时服务热线:18820322002 在线咨询 返回列表 产品说明 产品特点:冷却型浇口套,通过调节浇口套内部循环水的流量和温度能够能够调节成型时间,加快生产速度。 相关产品 氮气弹簧 弹簧 浇口套(机嘴)SBC 潜伏浇口器(牛角)Z1060 模具计数器CVPL 浇口套、机嘴SBA